Lavabo Treo Tường Kèm Chân Ngắn Inax L-285V + L-288VC
(1 lượt bình chọn)551
Giá: 1.650.000 đ
Giá bán: 1.450.000 đ
Mã sản phẩm: L-285V+L-288VC
Xuất xứ: Việt Nam
Chất liệu: Sứ cao cấp
Tình trạng: Còn hàng
Số lượng:
Tính năng nổi bật:
- Cam kết hàng chính hãng
- Miễn phí giao hàng TPHCM
- 0918 039 678 - 0908 323 353
- Hướng dẫn mua hàng
Sản phẩm cùng thương hiệu:
Chi tiết sản phẩm:
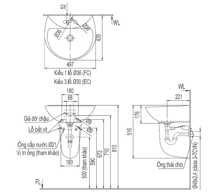
Thông tin chậu rửa mặt lavabo Inax L-285V+L-288VC:
L-285V: Lavabo treo tường
L-288VC: Chân ngắn lavabo
Kích thước (D x R x C): 497 x 426 x 516 mm
Màu sắc: Trắng
Chất liệu sứ cao cấp, chống bám bẩn
L-285VEC : Kiểu 3 lỗ
L-285VFC : Kiểu 1 lỗ
Không bao gồm phụ kiện ( vòi, bộ xả...)
Có thể dùng với vòi: LFV-222S , LFV-11A , LFV-17
Bản vẽ lavabo INAX L285V chân L288VC:

Bình luận:
