Vòi Sen Tắm Nhiệt Độ TOTO TBV03431V/TBW02017A
(1 lượt bình chọn)- Cam kết hàng chính hãng
- Miễn phí giao hàng TPHCM
- 0918 039 678 - 0908 323 353
- Hướng dẫn mua hàng
Thông số kỹ thuật vòi sen tắm TOTO TBV03431V/TBW02017A:
Tên sản phẩm: Sen tắm nhiệt độ Nhật Bản GG
Mã sản phẩm: TBV03431V/TBW02017A
Bát sen tiết kiệm nước
Đầu vòi và tay sen có nút điều chỉnh lưu lượng nước
Bao gồm gác sen, không bao gồm cút nối tường
Sử dụng công nghệ van nhiệt SMA
Áp lực nước: 0.05MPa ~ 0.75MPa
Lớp mạ: Nickel Chrome
TBV03431V - Xuất xứ: Nhật Bản
TBW02017A - Xuất xứ: Trung Quốc
Tính năng vòi sen nhiệt độ tự động TOTO TBV03431V-TBW02017A:
Sen tắm nhiệt độ Nhật Bản dòng GG
Sử dụng công nghệ van nhiệt SMA Tay gạt đóng mở thiết kế hình cung, làm bằng chất liệu kim loại cao cấp dễ sử dụng
Thiết kế mang đậm phong cách Nhật
Bát sen Aerial Shower tiết kiệm nước
Lớp mạ bền vững với thời gian
Thân van bằng đồng thau
Van đĩa bằng sứ chống bám cặn bẩn giúp khóa nước hoàn toàn
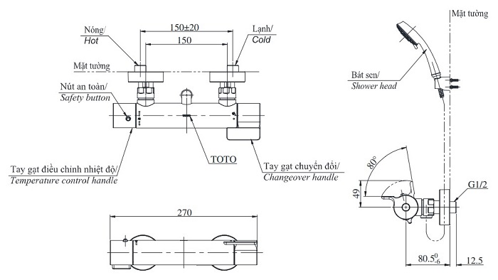
Bản vẽ sen tắm nhiệt độ TOTO TBV03431V/TBW02017A:

